一、產品(pin)簡介
1.水質浮(fu)漂監測站SFA集數據(ju)采集、存儲、傳輸和(he)管理于(yu)一(yi)(yi)體(ti)的無人值守的采集系統(tong)(tong)。它在工農業生產、旅游、城市(shi)環(huan)境監(jian)測、地質災害(hai)、防洪、供水(shui)(shui)調度、電站水(shui)(shui)庫水(shui)(shui)情管理等為目的水(shui)(shui)文自動測報(bao)系統(tong)(tong);功能強大(da)的上位機軟件可(ke)遠(yuan)程觀測實時水(shui)(shui)雨情信(xin)息,具(ju)有數據(ju)庫、報(bao)表(biao)、下載等功能,用戶還可(ke)利用該功能完善的氣象軟件對記錄(lu)的數據(ju)作進一(yi)(yi)步(bu)的處理分析(xi)。
2.SFA05款浮標是由水(shui)(shui)質傳感器(水(shui)(shui)溫、電(dian)(dian)導率(lv)、PH、溶解氧、氨(an)氮)、數據采集(ji)儀、通訊系統(tong)、供電(dian)(dian)系統(tong)、整(zheng)體 支架(jia)、水(shui)(shui)質監測(ce)平臺(tai)六部分組(zu)成。同時(shi)可擴展 濁度(du)、COD、葉綠(lv)素等多項水(shui)(shui)質要素。數據采集(ji)儀具(ju)有數 據采集(ji)、實時(shi)時(shi)鐘、數據定時(shi)存儲(chu)、參數設定和標準2G/4G(GPRS)通信(xin)功(gong)能。
二、產品(pin)特點
1.易部署:各(ge)類型探頭進行高度(du)集成,安裝方(fang)便;提供免費云平臺服務,系統快速(su)上(shang)線(xian);
2.易維護:設(she)備安裝(zhuang)后(hou),自(zi)行工作即可,無需(xu)人工值(zhi)守(shou),也(ye)可以通過遠(yuan)程監控的(de)方式保障設(she)備的(de)正常運行;
3.易擴(kuo)展:傳感器探頭均使用統一的(de)通信協議,可以快速(su)對接原設備,快速(su)擴(kuo)展監測參數;
4.低功耗:設(she)備(bei)可以實(shi)現低功耗狀態下(xia),長時間運(yun)行,增加設(she)備(bei)使用的便利(li)性;
5.實(shi)時(shi)(shi)性:設備(bei)監(jian)測到(dao)的數(shu)據實(shi)時(shi)(shi)傳輸至云(yun)平臺,提升環境數(shu)據反饋(kui)的及時(shi)(shi)性。
三、技術參數
1. 主(zhu)體(ti)參數
| 產品名稱 | 描述 |
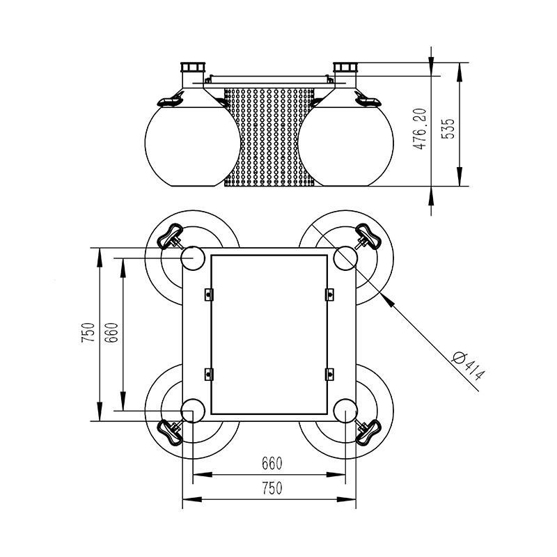
| 環境水質監測浮標 | 可實時實現多路參數在線監測。可實現電池電量監控。可實現云平臺數據監控、數據推送、數據的存儲和報警功能;數據的無線發射功能。峰值功耗為 5W;傳感器功耗 0.25W左右/只。外形尺寸:750mm*750mm*535mm。浮球直徑414mm重量:22kg |
| 采集器數據采集 | 運行可靠,抗干擾,可集成多路RS485/MODBUS-RTU從站設備 |
| 采集器數據輸出 | 1 路 Rs485/JSON協議輸出 |
| 電池 | 鋰電池 12VDC,20AH(默認) |
| 太陽能電池板 | 22.1V/50W(默認) |
| 供電能力 | 定制選型;陰雨天間歇工作 5天以上 |
| 位置指示(選配) | 警示燈;GPS 定位; |
| 監測平臺 | 云平臺;手機/電腦多終端登錄 |
| 防護罩 | 304 不銹鋼濾筒防護罩 |
| 浮體 | 直徑414mm 球形浮體*4工程塑料 |
2.可(ke)選配傳感器的主要參數
|
|
|
|
|
|
|
| 序號 | 名稱 | 測量范圍 | 測量原理 | 測量精度 | 是否標配 | 備注 |
| 1 | 溫度 | 0~50℃ | 高精度數字傳感器 | ±0.3℃ | ? |
|
| 2 | pH | 0~14(ph) | 電化學(鹽橋) | ± 0.1PH | ? |
|
| 3 | ORP | -1500mv~1500mv | 電化學(鹽橋) | ± 6mv |
|
|
| 4 | 電導率 | 0~5000uS/cm | 接觸式電極法 | ± 1.5% | ? |
|
| 5 | 濁度 | 0~40NTU(低濁) | 散射光法 | ± 1% |
| 低濁可定制 |
| 0~1000NTU(中濁) | 散射光法 | ± 1% |
| 中濁可定制 |
| 0~3000NTU(高濁) | 散射光法 | ± 1% |
| 默認發 |
| 6 | 溶解氧 | 0~20mg/L | 熒光壽命法 | ± 2% | ? |
|
| 7 | 氨氮 | 0-1000.00mg/L(默認) 0-100.00mg/l/(可定制) | 離子選擇電極法 | 讀數的10%, ±0.5℃ | ? |
|
| 8 | cod | 0~500mg/ L | UV254 吸收法 | ±5% |
| 帶有自動清潔器,可防止生物附著,避免光窗污染,以保證長期監測依然具有穩定性;可設置自動清潔時間及清潔次數,功耗0.7W |
| 濁度 | 0~400NTU | 散射光法 | ± 1% |
|
| 9 | 懸浮物 | 0~2000mg/L | 散射光法 | ±5%(取決于污泥同質性) |
|
|
| 10 | 葉綠素 | 0~400ug/L | 熒光法 | R2>0.999 |
| 帶有自動清潔器,可防止生物附著,避免光窗污染,以保證長期監測依然具有穩定性;可設置自動清潔時間及清潔次數,功耗0.7W |
四、產(chan)品尺寸圖

五、設備安裝要求
1.遠(yuan)離大功(gong)率無線電發射源
2.遠離高壓輸(shu)電(dian)線和微波無(wu)線電(dian)傳送通道
3.盡量靠(kao)近(jin)數(shu)據傳輸網(wang)絡
4.遠離強電磁干擾
六、云平臺介紹
1.CS架構軟件平臺,支(zhi)持手機、PC瀏覽(lan)器直接觀測.無(wu)需額(e)外(wai)安裝(zhuang)軟件。
2.支持(chi)多帳號(hao)、多設(she)備登錄
3.支持實時數據展示與歷史數據展示儀表(biao)板
4.云服務器.云數據存儲,穩(wen)定可靠,易于(yu)擴展,負載(zai)均衡。
5.支持短信報警(jing)及閾(yu)值設置
6.支持地圖(tu)顯示(shi)、查看設(she)備信息。
7.支持數據曲線分析
8.支持數據導出(chu)表(biao)格形式
9.支持(chi)數據轉發,HJ-212協議,TCP轉發,http協議等(deng)。
10.支(zhi)持數(shu)據后處理功(gong)能
11.支持外置運(yun)行(xing)javascript腳本